13412086256

  • 网站首页
  • 培训工种
  • 报名指南
  • 培训公告
  • 新闻中心
  • 常见问题
  • 在线报名
  • 联系我们

广州圣问技术服务有限公司

求真务实、追求卓越、协作共赢

提供优质的专业技术服务咨询、职业技能培训等综合服务支持


搜索
材料力学性能检验员证培训-焊接工艺评定常用检测标准及检测项目
焊接工艺评定(Welding Procedure Qualification,简称WPQ)是指根据焊接工艺规范和要求,对焊接工艺进行全面评估和判定的过程。其目的是为了确定最佳的焊接工艺,以确保焊接接头的质量和可靠性

计量员证书 內校员资格证 计量管理员培训 计量校准员考证 计量检定员考试 计量检测员报名 量规仪器校正员培训 内部校验员合格证 内部校准员上岗证 计量内审员岗位证 仪校员证书 计量工资质 计量师资格证书 计量证怎么考 內校证书哪里考 农产品食品检验员资格证 食品化验员证书 食品检验工培训 食品检测员考证 食品安全总监 农产品质量安全检测员 乳品检验员 油品检验员 化学检验员培训 水质检测员考试 化妆品检验员报名 微生物检验员证书 化验员上岗证 微检员证书 无菌检验员 卫生消毒产品检验员 医疗器械检验员 化学分析工考证 试验员 质检员 实验员 无损检测员 内审员 内部审核员 材料物理性能检验员 金相检验员 力学性能检验员 材料成分分析工 环境监测员资格证考试报名

材料力学性能检验员证培训-焊接工艺评定常用检测标准及检测项目

焊接工艺评定(Welding Procedure Qualification,简称WPQ)是指根据焊接工艺规范和要求,对焊接工艺进行全面评估和判定的过程。其目的是为了确定最佳的焊接工艺,以确保焊接接头的质量和可靠性。

通过焊接工艺评定,可以确保焊接工艺的合理性和可靠性,提高焊接接头的质量和可靠性,降低焊接过程中的质量问题和风险。同时,焊接工艺评定也可以为焊接工艺的改进和优化提供参考和依据。通常使用NB/T 47014-2011 承压设备焊接工艺评定 这个标准进行检评依据。

焊缝工艺评定检测项目主要有外观检查(VT)、无损检测(RT、PT、MT、UT)、力学性能试验(拉伸、冲击、硬度)和宏微观检验。

01

外观检查

焊接接头的外观检查是评估焊接质量的一种常用方法,可以通过目视检查来判断焊缝的形状、尺寸和表面质量。以下是焊接接头外观检查的一些常见项目:

1.焊缝形状:检查焊缝的形状是否符合要求,包括焊缝的几何形状、角度、倒角等。常见的焊缝形状有直角焊缝、V型焊缝、X型焊缝等。

2.焊缝尺寸:检查焊缝的尺寸是否符合要求,包括焊缝的宽度、高度、深度等。通过测量焊缝尺寸,可以判断焊缝的充满度和焊接质量。

3.焊缝表面质量:检查焊缝表面的质量,包括焊缝的平整度、光洁度、表面缺陷等。常见的焊缝表面缺陷有焊缝气孔、夹渣、裂纹等。

4.焊接缺陷:检查焊接接头是否存在焊接缺陷,包括焊缝的裂纹、气孔、夹渣等。通过目视检查,可以初步判断焊接接头的质量是否合格。

5.焊接变形:检查焊接接头的变形情况,包括焊缝的收缩变形、翘曲变形等。通过目视检查和测量,可以判断焊接接头的变形程度和对结构的影响。

02

无损检测

焊接接头的无损检测是指在焊接接头的制造、使用和维护过程中,利用无损检测技术对焊缝进行检测,以检测焊接接头中可能存在的缺陷或问题。无损检测技术主要包括超声波检测、射线检测、磁粉检测和渗透检测等。通过无损检测技术对焊接接头进行检测,可以帮助确保焊接接头的质量,避免因缺陷导致的事故发生,提高焊接接头的可靠性和耐久性。

03

力学性能试验

焊接接头力学性能试验是指对焊接接头的力学性能进行检测和评估,以确定其是否符合设计和使用要求。常见的焊接接头力学性能检测包括以下几个方面:

1.强度检测:通过拉伸试验等方法检测焊接接头的强度,包括抗拉强度、屈服强度等指标。

2.韧性检测:通过冲击试验、弯曲试验等方法检测焊接接头的韧性,包括冲击韧性、弯曲韧性等指标。

3.硬度检测:通过硬度试验检测焊接接头的硬度,以评估焊接接头的材料性能和热影响区的影响程度。

04

宏微观检验

焊接接头的宏微观检验是对焊接接头的结构和质量进行评估的方法。通过这些检验,可以检测焊接接头的缺陷、结构完整性和性能,并评估其是否符合规范和要求。宏观检验主要包括以下几个方面:

1.外观检验:检查焊接接头的外观,包括焊缝的形态、焊缝的尺寸和焊缝的完整性等。

2.尺寸检验:测量焊接接头的尺寸,包括焊缝的高度、宽度、长度等,以确保其符合设计要求。

3.比较检验:将焊接接头与标准样品或规范进行比较,以评估焊接接头的质量和符合性。

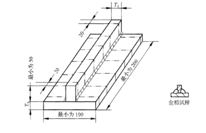
4.金相显微镜检测:通过金相显微镜观察焊接接头的金属组织和相态,评估焊缝的晶粒结构、相变、晶界和夹杂物等。

通过宏观和微观检验,可以全面评估焊接接头的质量和结构,发现潜在的问题和缺陷,并采取相应的措施进行修复或改进,以确保焊接接头的可靠性和安全性。

材料分析实验室是以金属材料、高分子复合材料等材料及制成品为检测和分析对象的专业实验室。业务覆盖金属和非金属制品、通用和专用设备、汽车、船舶、航空航天等多个领域。实验室配备专业仪器设备80余台套,针对企业在产品研发、质量控制、性能改进和失效分析等方面遇到的问题,可以提供成分分析、力学与表面性能、材料性能表征、显微组织结构、‍腐蚀分析、失效分析、非金属材料一致性分析等专业技术服务。


分享到:
上一篇: 化学检验员证书化验员......
下一篇: 电气试验员证书培训-......
  • 我们留言*
提交

13412086256
24小时服务热线

浏览网站

微信二维码

Copyright ©2022 版权所有 © 广州圣问技术服务有限公司 未经许可 严禁复制 All Rights Reserved